Menu
You do not have any products in your shopping cart yet.
Login Contact NEW SALE

Shimano Deore XT RD-M8100 Rear Derailleur Spare Part | Axle Unit for Rear Derailleur Mount No. 1

Shimano Deore XT RD-M8100 Rear Derailleur Spare Part | Axle Unit for Rear Derailleur Mount No. 1

Shipping time:3 - 5 weeks
Price: 13,95 €
19 % VAT incl. excl. Shipping costs
Add to cart


Product no.: Y3FW98020, RDM8100
GTIN/EAN: 04550170530709


Shimano Deore XT RD M8100 rear derailleur spare part, axle unit for rear derailleur hanger

Shimano Deore XT RD-M8100 rear derailleur spare part

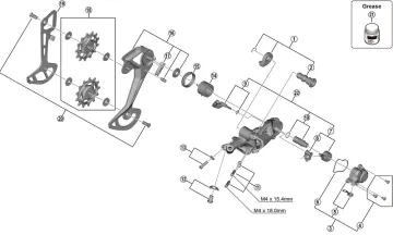
Part No. 1 in the exploded view.

Shimano Deore XT RD-M8100 rear derailleur spare parts:

  • No. 1: Y3FW98020 – Rear derailleur bracket axle unit
  • No. 2: Y3FW42000 – Rear derailleur bracket axle
  • No. 3: Y3FW98030 – Housing unit
  • No. 4: Y5Y198070 – Housing cover screws
  • No. 5: Y3FW98040 - Housing cover + cap
  • No. 6: Y3FA63000 - Seal
  • No. 7: Y3GF98040 - Stabiliser unit
  • No. 8: Y3E498040 - Cam unit
  • No. 9: Y3FA98040 - Gear lever assembly
  • No. 10: Y5PV98060 - Shift shaft assembly
  • No. 11: Y3FW98050 - Stop screws + plate
  • No. 12: Y3FW98060 – Shift cable clamping screw + plate
  • No. 13: Y3FW98070 – Adjustment screw for tension spring + plate
  • No. 14: Y3FA55000 - Tension spring
  • No. 15: Y3FA62000 – Sealing ring
  • No. 16: Y3FW98100 – GS outer chain guide plate, complete
  • No. 16: Y3FW98080 – SGS outer chain guide plate, complete
  • No. 17: Y3FW50000 - GS/SGS impact guard
  • No. 18: Y3FW98010 – Set of switch rollers
  • No. 19: Y3FW16000 – GS inner chain guide plate
  • No. 19: Y3FW26000 - SGS inner chain guide plate
  • No. 20: Y3FW9809 - Shift roller screws
  • No. 21: Y04121000 – Special grease for stabiliser
  • No. 22: Y3FA98100 - Stabiliser kit unit

Herstellerinformation: SHIMANO INC., 3-77 Oimatsu-cho, Sakai-ku, Sakai-shi, Osaka 590-8577, Japan, www.shimano.com | EU contact: Shimano Europe BV, High Tech Campus 92, 5656 AG Eindhoven, The Netherlands, www.shimano.com


Spare parts for Shimano Deore XT RD-M8100 rear derailleur
Shipping time: item is ordered
0,00 €

19 % VAT incl. excl. Shipping costs
Spare parts for Shimano Deore XT SL-M8100 shift lever
Shipping time: item is ordered
0,00 €

19 % VAT incl. excl. Shipping costs
Spare parts Shimano Deore XT SL-M8100-I shift lever
Shipping time: item is ordered
0,00 €

19 % VAT incl. excl. Shipping costs
Top price
Shimano Deore XT Derailleur Pulley Set 12-speed
Shipping time: item is ordered
MSRP : 16,95 € Top price: 12,90 € Savings - 4,05 € off MSRP

19 % VAT incl. excl. Shipping costs
Shimano Deore XT FC M8100 Crank Spare Part | Left crank arm 175 mm
Shipping time: item is ordered
MSRP : 71,95 € 58,90 €Savings - 13,05 € off MSRP

19 % VAT incl. excl. Shipping costs
Shimano Deore XT FC M8100 Crank Spare Part | Left crank arm 165 mm
Shipping time: item is ordered
MSRP : 71,95 € 58,90 €Savings - 13,05 € off MSRP

19 % VAT incl. excl. Shipping costs
Shimano Deore XT FC M8100 Crank Spare Part | Left crank arm 170 mm
Shipping time: item is ordered
MSRP : 71,95 € 58,90 €Savings - 13,05 € off MSRP

19 % VAT incl. excl. Shipping costs
Shimano Deore XT FC M8100 Crank Spare Part | Left crank arm 180 mm
Shipping time: item is ordered
MSRP : 71,95 € 58,90 €Savings - 13,05 € off MSRP

19 % VAT incl. excl. Shipping costs
Shimano Deore XT FC M8100 Crank Spare Part | Crank Mounting Bolt
Shipping time: 1–3 working days
2,95 €

19 % VAT incl. excl. Shipping costs
Shimano Deore XT FC M8100 Crank Spare Part | Crank Clamping Screw 1 Piece
Shipping time: item is ordered
4,95 €

19 % VAT incl. excl. Shipping costs
Shimano Deore XT FC M8100 Crank Spare Part | Crank Locking Washer
Shipping time: 1–3 working days
2,95 €

19 % VAT incl. excl. Shipping costs
Shimano Deore XT FC M8130 Crank Spare Part | Spacer T4.5
Shipping time: 1–3 working days
3,95 €

19 % VAT incl. excl. Shipping costs
Shimano Deore XT FC M8100/8120 Crankset Spare Part | 12x2-speed Chainring bolts, 4 pieces
Shipping time: item is ordered
MSRP : 16,95 € 14,90 €Savings - 2,05 € off MSRP

19 % VAT incl. excl. Shipping costs
Shimano bleed screw for MTB brake caliper
Shipping time: 1–3 working days
MSRP : 6,95 € 5,90 €Savings - 1,05 € off MSRP

19 % VAT incl. excl. Shipping costs
Shimano spare part – XT brake caliper BR-M8100 | Brake line screw
Shipping time: 1–3 working days
5,95 €

19 % VAT incl. excl. Shipping costs
Shimano spare part – XT brake caliper BR-M8120 | Brake line screw
Shipping time: 1–3 working days
6,80 €

19 % VAT incl. excl. Shipping costs
Shimano Deore XT BL M8100 Brake Lever Spare Part | Right-hand brake lever No. 4
Shipping time: 1–3 working days
23,95 €

19 % VAT incl. excl. Shipping costs
Shimano Deore XT BL M8100 Brake Lever Spare Part | Left Brake Lever No. 4
Shipping time: 1–3 working days
23,95 €

19 % VAT incl. excl. Shipping costs
Shimano Deore XTR / XT brake lever spare part | Complete lever axle screw No. 5
Shipping time: 1–3 working days
3,95 €

19 % VAT incl. excl. Shipping costs
Shimano Deore XT BL-M8100 Brake Lever Spare Part | Clamping Screw No. 6
Shipping time: item is ordered
4,95 €

19 % VAT incl. excl. Shipping costs
Shimano Deore XT BL M8100 Brake Lever Spare Part | Brake Line Cover No. 7
Shipping time: 1–3 working days
2,95 €

19 % VAT incl. excl. Shipping costs
Shimano Deore XT SL-M8100 Shift Lever Spare Part | Left-hand screw No. 7
Shipping time: item is ordered
3,95 €

19 % VAT incl. excl. Shipping costs
Shimano Deore XT SL-M8100-I Shift Lever Spare Part | Right-hand Screw No. 2
Shipping time: 1–3 working days
4,95 €

19 % VAT incl. excl. Shipping costs
Shimano Deore XT SL-M8100-I Shift Lever Spare Part | Right-hand Cover No. 7
Shipping time: item is ordered
14,95 €

19 % VAT incl. excl. Shipping costs
Shimano XTR / Deore XT Cassette Spare Part | Micro Spline Lockring No. 1
Shipping time: 1–3 working days
14,95 €

19 % VAT incl. excl. Shipping costs
Shimano XTR 12-speed CS-M9100 cassette spare part – 14-tooth sprocket No. 4
Shipping time: 1–3 working days
6,95 €

19 % VAT incl. excl. Shipping costs
Shimano XTR 12-speed CS-M9100 cassette spare part – 16-tooth sprocket No. 5
Shipping time: 1–3 working days
8,95 €

19 % VAT incl. excl. Shipping costs
Shimano XTR 12-speed CS M9100 cassette spare part – Washer No. 9
Shipping time: item is ordered
1,95 €

19 % VAT incl. excl. Shipping costs
Top price
Shimano Deore XT RD-M8100 Rear Derailleur Spare Part | SGS Inner Chain Guide No. 19
Shipping time: 1–3 working days
MSRP : 9,95 € Top price: 8,90 € Savings - 1,05 € off MSRP

19 % VAT incl. excl. Shipping costs
Top price
Shimano Deore XT RD-M8100 Rear Derailleur Spare Part | SGS Outer Chain Guide, Complete No. 16
Shipping time: 1–3 working days
MSRP : 17,95 € Top price: 14,90 € Savings - 3,05 € off MSRP

19 % VAT incl. excl. Shipping costs
Shimano Deore XT / SLX rear derailleur spare part | Stop screws + plate no. 11
Shipping time: 1–3 working days
4,95 €

19 % VAT incl. excl. Shipping costs
Shimano Deore XT RD-M8100 Rear Derailleur Spare Part | Housing Cover + Cap No. 5
Shipping time: 1–3 working days
4,95 €

19 % VAT incl. excl. Shipping costs
Shimano Deore XT FD-M8000 front derailleur spare part | Rubber pad no. 3
Shipping time: item is ordered
2,95 €

19 % VAT incl. excl. Shipping costs
Shimano Deore XT FD-M8000 front derailleur spare part | Clamping screw No. 6
Shipping time: item is ordered
2,95 €

19 % VAT incl. excl. Shipping costs
Shimano XT SM-BH90-SBLS disc brake hose 100 cm black 90-degree banjo silver
Shipping time: item is ordered
MSRP : 34,95 € 26,90 €Savings - 8,05 € off MSRP

19 % VAT incl. excl. Shipping costs
Shimano XT SM-BH90-SBLS disc brake hose 170 cm black 90-degree banjo silver
Shipping time: item is ordered
MSRP : 40,95 € 32,90 €Savings - 8,05 € off MSRP

19 % VAT incl. excl. Shipping costs
Shimano XT SM-BH90-SBLS disc brake hose 170 cm black 90-degree banjo black
Shipping time: 1–3 working days
MSRP : 33,95 € 24,90 €Savings - 9,05 € off MSRP

19 % VAT incl. excl. Shipping costs
Shimano XT SM-BH90-SBLS disc brake hose 100 cm black 90-degree banjo black
Shipping time: item is ordered
MSRP : 26,95 € 19,90 €Savings - 7,05 € off MSRP

19 % VAT incl. excl. Shipping costs
Shimano cap – rubber cap for the bleed screw on the disc brake caliper
Shipping time: 1–3 working days
4,95 €

19 % VAT incl. excl. Shipping costs

Last viewed: