Menu
You do not have any products in your shopping cart yet.
Login Contact NEW SALE

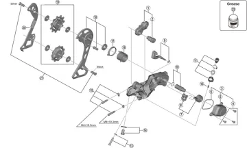
Shimano GRX RD-RX812 / SLX RD-M7000 Rear Derailleur Spare Part | Shift Lever Unit No. 9

Shimano GRX RD-RX812 / SLX RD-M7000 Rear Derailleur Spare Part | Shift Lever Unit No. 9Shimano GRX RD-RX812 / SLX RD-M7000 Rear Derailleur Spare Part | Shift Lever Unit No. 9

Shimano GRX RD-RX812 / SLX RD-M7000 Rear Derailleur Spare Part | Shift Lever Unit No. 9
Shimano GRX RD-RX812 / SLX RD-M7000 Rear Derailleur Spare Part | Shift Lever Unit No. 9
Low stock available
Shipping time:1–3 working days
Price: 4,95 €
19 % VAT incl. excl. Shipping costs
Add to cart


Product no.: Y5YX98040, RDRX812
GTIN/EAN: 04524667523932


Shimano spare part for GRX RD RX812 rear derailleur and SLX RD M7000 shifter unit

Spare part Shimano GRX RD-RX812 / RD-M7000

Part No. 9 in the exploded view.

Shimano GRX RD-RX812 11-speed rear derailleur spare parts:

  • No. 1: Y3E998020 – Axle unit for rear derailleur hanger
  • No. 2: Y3E958000 – Axle for Direct Mount rear derailleur hanger
  • No. 3: Y3GF98010 – Complete derailleur housing
  • No. 4: Y5Y198070 – Screws for derailleur housing
  • No. 5: Y3GF41000 - Derailleur housing
  • No. 6: Y5RT16000 - Seal for derailleur housing
  • No. 7: Y3GF98040 - Stabiliser unit
  • No. 8: Y3E498040 - Cam unit
  • No. 9: Y5YX98040 - Gear lever unit
  • No. 10: Y5PV98060 – Gear shaft unit
  • No. 11: Y3E998030 – Shift cable adjustment screw, complete
  • No. 12: Y5PV48000 – Tab for shift cable adjustment screw
  • No. 13: Y3E998040 – Adjustment screw, complete, for axle unit

Shimano SLX RD-M7000 11-speed rear derailleur spare parts:

  • No. 1: Y5YX98020 - Axle unit rear derailleur hanger
  • No. 2: Y5RT26000 - Axle for rear derailleur hanger
  • No. 3: Y5YX98030 - Housing unit
  • No. 4: Y5Y198070 - Complete set of fixing screws
  • No. 5: Y5YX41000 - Housing
  • No. 6: Y5RT16000 – Housing seal
  • No. 7: Y3GF98040 – Stabiliser unit
  • No. 8: Y3E498040 – Cam unit
  • No. 10: Y5PV98060 – Shift shaft unit
  • No. 11: Y5YX98050 – Shift cable adjustment screw, complete
  • No. 12: Y5RT98060 – Shift cable clamp screw, complete
  • No. 13: Y5YX98060 - Stop screws, complete
  • No. 14: Y5PV17000 - Tension spring
  • No. 15: Y5PV24000 - Tension spring seal
  • No. 16: Y5YX98070 - Outer GS chain guide plate, complete
  • No. 17: Y5RS98010 - Set of shift rollers
  • No. 18: Y5YX16000 – GS inner chain guide plate
  • No. 19: Y50J98070 – Shift roller screws
  • No. 20: Y04121000 - Special grease for stabiliser
  • No. 14: Y3GF98020 - Shift cable clamp screw, complete
  • No. 15: Y5YX98060 - Stop screws, complete
  • No. 16: Y5PV17000 - Tension spring
  • No. 17: Y5PV24000 – Seal for tension spring
  • No. 18: Y3GF98030 – Outer chain guide plate, complete
  • No. 19: Y3E998010 - Set of shift rollers
  • No. 20: Y5RT09000 – Inner chain guide plate
  • No. 21: Y3GE98050 – Shift roller screws
  • No. 22: Y04121000 – Special grease for stabiliser

Herstellerinformation: SHIMANO INC., 3-77 Oimatsu-cho, Sakai-ku, Sakai-shi, Osaka 590-8577, Japan, www.shimano.com | EU contact: Shimano Europe BV, High Tech Campus 92, 5656 AG Eindhoven, The Netherlands, www.shimano.com


Spare parts: Shimano GRX ST-RX400 shift-brake lever
Shipping time: item is ordered
0,00 €

19 % VAT incl. excl. Shipping costs
Spare parts: Shimano GRX ST-RX600 shift-brake lever
Shipping time: item is ordered
0,00 €

19 % VAT incl. excl. Shipping costs
Spare parts: Shimano GRX ST-RX810 shift-brake lever
Shipping time: item is ordered
0,00 €

19 % VAT incl. excl. Shipping costs
Spare parts Shimano GRX ST-RX810-LA shift and brake lever
Shipping time: item is ordered
0,00 €

19 % VAT incl. excl. Shipping costs
Spare parts Shimano GRX Di2 ST-RX815 shift-brake lever
Shipping time: item is ordered
0,00 €

19 % VAT incl. excl. Shipping costs
Shimano GRX FD-RX400 front derailleur spare parts
Shipping time: item is ordered
0,00 €

19 % VAT incl. excl. Shipping costs
Spare parts Shimano GRX FD-RX810 front derailleur
Shipping time: item is ordered
0,00 €

19 % VAT incl. excl. Shipping costs
Spare parts Shimano GRX Di2 FD-RX815 front derailleur
Shipping time: item is ordered
0,00 €

19 % VAT incl. excl. Shipping costs
Shimano GRX Di2 RD-RX815 Rear Derailleur Spare Part | Cable Housing No. 5
Shipping time: item is ordered
3,95 €

19 % VAT incl. excl. Shipping costs
Shimano GRX / Ultegra rear derailleur spare part | Stabiliser unit No. 7
Shipping time: item is ordered
10,95 €

19 % VAT incl. excl. Shipping costs
Shimano GRX Di2 RD-RX815 Rear Derailleur Spare Part | Cam Unit No. 8
Shipping time: item is ordered
4,95 €

19 % VAT incl. excl. Shipping costs
Shimano GRX Di2 RD-RX815 Rear Derailleur Spare Part | Shift Lever Unit No. 10
Shipping time: 1–3 working days
2,95 €

19 % VAT incl. excl. Shipping costs
Shimano GRX RD-RX810 Rear Derailleur Spare Part | Housing No. 5
Shipping time: item is ordered
3,95 €

19 % VAT incl. excl. Shipping costs
Shimano GRX RD-RX810 Rear Derailleur Spare Part | Cam Unit No. 8
Shipping time: item is ordered
4,95 €

19 % VAT incl. excl. Shipping costs
Shimano GRX RD-RX812 Rear Derailleur Spare Part | Housing No. 5
Shipping time: 1–3 working days
3,95 €

19 % VAT incl. excl. Shipping costs
Shimano GRX / SLX rear derailleur spare part | Stop screws, complete
Shipping time: 1–3 working days
4,95 €

19 % VAT incl. excl. Shipping costs
Shimano GRX Di2 RD-RX817 Rear Derailleur Spare Part | Stabiliser Unit No. 7
Shipping time: item is ordered
29,95 €

19 % VAT incl. excl. Shipping costs
Shimano GRX Di2 RD-RX817 Rear Derailleur Spare Part | Cam Unit No. 8
Shipping time: item is ordered
20,95 €

19 % VAT incl. excl. Shipping costs
Shimano GRX Di2 RD-RX817 Rear Derailleur Spare Part | Shift Lever Assembly No. 9
Shipping time: 1–3 working days
10,95 €

19 % VAT incl. excl. Shipping costs
Shimano Di2 11-speed rear derailleur spare part | Tension spring
Shipping time: item is ordered
4,95 €

19 % VAT incl. excl. Shipping costs
Shimano GRX Di2 RD-RX817 Rear Derailleur Spare Part | Inner Chain Guide No. 18
Shipping time: 1–3 working days
14,95 €

19 % VAT incl. excl. Shipping costs
Shimano GRX ST-RX810 Shift/Brake Lever Spare Part | Rubber Grips, Pair No. 8
Shipping time: 1–3 working days
11,95 €

19 % VAT incl. excl. Shipping costs
Shimano GRX Di2 ST-RX815 Shift/Brake Lever Spare Part | Clamp Unit No. 1
Shipping time: item is ordered
9,95 €

19 % VAT incl. excl. Shipping costs
Shimano GRX RD-RX820 Rear Derailleur Spare Part | Stabiliser Housing No. 5
Shipping time: item is ordered
3,95 €

19 % VAT incl. excl. Shipping costs
Shimano GRX RD-RX820 Rear Derailleur Spare Part | Inner Chain Guide No. 20
Shipping time: item is ordered
8,95 €

19 % VAT incl. excl. Shipping costs
Shimano cassette spacer ring 2.18 mm for 11-speed
Shipping time: 1–3 working days
5,95 €

19 % VAT incl. excl. Shipping costs

Last viewed: